Product Summary
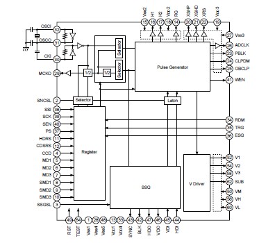
The CXD3611R is a timing generator IC which generates the timing pulses for performing progressive scan readout using the ICX414/415/424 CCD image sensors. The CXD3611R is used in Monitoring/image analysis.
Parametrics
CXD3611R absolute maximum ratings: (1)Supply voltage VDD: Vss - 0.3 to +7.0 V, VL: -10.0 to Vss V, VH: VL - 0.3 to +26.0 V; (2)Input voltage VI: Vss - 0.3 to VDD + 0.3 V; (3)Output voltage VO1: Vss - 0.3 to VDD + 0.3 V, VO2: VL - 0.3 to VSS + 0.3 V, VO3: VL - 0.3 to VH + 0.3 V; (4)Operating temperature Topr: -20 to +75 ℃; (5)Storage temperature Tstg: -55 to +150 ℃.
Features
CXD3611R features: (1)Electronic shutter function; (2)Trigger shutter function; (3)Supports central scanning mode (two types)/double speed drive mode; (4)Horizontal driver for CCD image sensor(However, uses external driver for double speed drive mode.); (5)Vertical driver for CCD image sensor.
Diagrams

| Image | Part No | Mfg | Description | ![]() |
Pricing (USD) |
Quantity | ||||
|---|---|---|---|---|---|---|---|---|---|---|
![]() |
![]() CXD3611R |
![]() Other |
![]() |
![]() Data Sheet |
![]() Negotiable |
|
||||
| Image | Part No | Mfg | Description | ![]() |
Pricing (USD) |
Quantity | ||||
![]() |
![]() CXD3000R |
![]() Other |
![]() |
![]() Data Sheet |
![]() Negotiable |
|
||||
![]() |
![]() CXD3003R |
![]() Other |
![]() |
![]() Data Sheet |
![]() Negotiable |
|
||||
![]() |
![]() CXD3005R |
![]() Other |
![]() |
![]() Data Sheet |
![]() Negotiable |
|
||||
![]() |
![]() CXD3008Q |
![]() Other |
![]() |
![]() Data Sheet |
![]() Negotiable |
|
||||
![]() |
![]() CXD3009Q |
![]() Other |
![]() |
![]() Data Sheet |
![]() Negotiable |
|
||||
![]() |
![]() CXD3011R-1 |
![]() Other |
![]() |
![]() Data Sheet |
![]() Negotiable |
|
||||
(China (Mainland))









