Product Summary
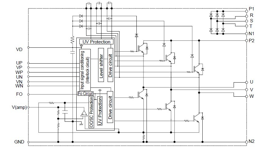
The PS11035 is an intelligent power module. It can be used in acoustic noise-less 1.5KW/200V AC class 3 phase inverters, motor control applications, and motors with built-in small size inverter package.
Parametrics
PS11035 absolute maximum ratings: (1)VCC Supply voltage: 450V; (2)VCC(surge) Supply voltage (surge): 500V; (3)VP or VN Each output IGBT collector-emitter static voltage: 600V; (4)VP(S) or VN(S) Each output IGBT collector-emitter switching voltage: 600V; (5)±Ic(±Icp) Each output IGBT collector current: ±20(±40)A.
Features
PS11035 features: (1)Converter bridge for 3 phase AC-to-DC power conversion; (2)3 phase IGBT inverter bridge configured by the latest 3rd, generation IGBT and diode technology; (3)Inverter output current capability IO.
Diagrams

| Image | Part No | Mfg | Description | ![]() |
Pricing (USD) |
Quantity | ||||||||||||||||||||
|---|---|---|---|---|---|---|---|---|---|---|---|---|---|---|---|---|---|---|---|---|---|---|---|---|---|---|
![]() |
![]() PS11035 |
![]() |
![]() MOD IPM 3PHASE IGBT 600V 20A |
![]() Data Sheet |
![]() Negotiable |
|
||||||||||||||||||||
| Image | Part No | Mfg | Description | ![]() |
Pricing (USD) |
Quantity | ||||||||||||||||||||
![]() |
![]() PS11 |
![]() |
![]() GASKET 3.63 X 2.27 INCH |
![]() Data Sheet |
![]()
|
|
||||||||||||||||||||
![]() |
![]() PS11.9-5-TO5 |
![]() Pacific Silicon Sensor |
![]() Photodiodes High Speed Epitaxial 3.45x3.45mm Area |
![]() Data Sheet |
![]()
|
|
||||||||||||||||||||
![]() |
![]() PS1100 |
![]() Other |
![]() |
![]() Data Sheet |
![]() Negotiable |
|
||||||||||||||||||||
![]() |
![]() PS1100MA24 |
![]() FerriShield |
![]() EMI/RFI Suppressors & Ferrites PCB Shield Enclosure |
![]() Data Sheet |
![]()
|
|
||||||||||||||||||||
![]() |
![]() PS1100MA24A |
![]() FerriShield |
![]() EMI/RFI Suppressors & Ferrites PCB Shield Enclosure Adhesive Base |
![]() Data Sheet |
![]()
|
|
||||||||||||||||||||
![]() |
![]() PS1100MA44 |
![]() FerriShield |
![]() EMI/RFI Suppressors & Ferrites PCB Shield Enclosure |
![]() Data Sheet |
![]()
|
|
||||||||||||||||||||
(China (Mainland))











