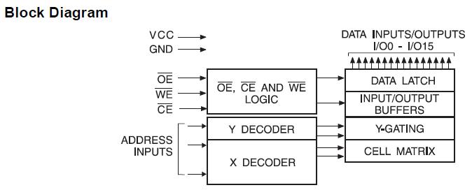
Product Summary
The AT29C1024-70JU is a 5-volt-only in-system Flash programmable and erasable read only memory (PEROM). Its 1 megabit of memory is organized as 65,536 words by 16 bits. Manufactured with Atmel’s advanced nonvolatile CMOS technology, the AT29C1024-70JUoffers access times to 70 ns with power dissipation of just 330 mW. When the device is deselected, the CMOS standby current is less than 200 mA. The AT29C1024-70JU endurance is such that any sector can typically be written to in excess of 10,000 times.
Parametrics
AT29C1024-70JU absolute maximum ratings: (1)Temperature Under Bias: -55℃ to +125℃; (2)Storage Temperature: -65℃ to +150℃; (3)All Input Voltages (including NC Pins) with Respect to Ground: -0.6V to +6.25V; (4)All Output Voltages with Respect to Ground: -0.6V to VCC + 0.6V; (5)Voltage on OE with Respect to Ground: -0.6V to +13.5V.
Features
AT29C1024-70JU features: (1)Fast Read Access Time - 70 ns; (2)5-Volt Only Reprogramming; (3)Sector Program Operation: Single Cycle Reprogram (Erase and Program), 512 Sectors (128 words/sector), Internal Address and Data Latches for 128 Words; (4)Internal Program Control and Timer; (5)Hardware and Software Data Protection; (6)Fast Sector Program Cycle Time - 10 ms; (7)DATA Polling for End of Program Detection; (8)Low Power Dissipation: 60 mA Active Current, 200 μA CMOS Standby Current; (9)Typical Endurance > 10,000 Cycles.
Diagrams

![]() |
![]() AT29BV010A |
![]() Other |
![]() |
![]() Data Sheet |
![]() Negotiable |
|
||||
![]() |
![]() AT29BV010A-12JC |
![]() Atmel |
![]() Flash 1M (128K X 8) 2.7V- 120NS COM TEMP |
![]() Data Sheet |
![]() Negotiable |
|
||||
![]() |
![]() AT29BV010A-12JI |
![]() Atmel |
![]() Flash 1M (128K X 8) 2.7V- 120NS IND TEMP |
![]() Data Sheet |
![]() Negotiable |
|
||||
![]() |
![]() AT29BV010A-12JU |
![]() Atmel |
![]() Flash 1M(128Kx8) 2.7V - 120NS IND TEMP |
![]() Data Sheet |
![]() Negotiable |
|
||||
![]() AT29BV010A-12TC |
![]() Atmel |
![]() Flash 1M (128K X 8) 2.7V- 120NS COM TEMP |
![]() Data Sheet |
![]() Negotiable |
|
|||||
![]() AT29BV010A-12TI |
![]() Atmel |
![]() Flash 1M (128K X 8) 2.7V- 120NS IND TEMP |
![]() Data Sheet |
![]() Negotiable |
|
|||||
(China (Mainland))









